Product Description
Adapter sleeves are the most commonly used components for locating bearings with a tapered bore onto a cylindrical seat as they can be used on plain shaftsor stepped shafts.
They are easy to install and require no additional location on the shaft. When used on plain shafts, the bearing can be located at any position on the shaft. When used on stepped shafts together with an L-shaped spacer ring, the bearing can be accurately positioned axially, thereby facilitating bearing mounting and dismounting.
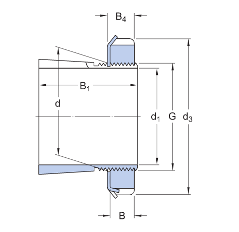
| d1 | 65 mm | Bore diameter |
|---|---|---|
| d | 75 mm | Outside diameter small taper |
| d3 | 98 mm | Outside diameter lock nut |
| B1 | 73 mm | Width |
| B | 13 mm | Width lock nut |
| B4 | 14.5 mm | Width lock nut including lock washer |
| G | M 75x2 | Thread |
| 1:12 | External taper |